قائمة الاقسام
سلة المشتريات

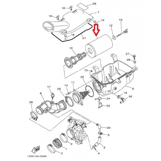
قماش فلتر هواء رابتر 700 وكالة

قماش فلتر هواء رابتر 700 وكالة
قماش فلتر هواء رابتر 700 وكالة
قماش فلتر هواء رابتر 700 وكالة
قماش فلتر هواء رابتر 700 وكالة
قماش فلتر هواء رابتر 700 وكالة

التوافق

·         Yamaha Raptor 

2001 - 2023

 

 

 

  • Stock: متوفر
  • رقم المنتج: 1S3144510000
عدد المنتجات المباعة: 9
عدد مشاهدات المنتج: 3276
160.00
السعر بدون ضريبة : 139.13
WhatsApp تواصل معنا